¸Ãº¸Ç¹ÊÇΪÄÚ¿×¹Ü×Ó¡¢¹Ü°åÄÚ¿×TIGº¸½ÓÉè¼ÆµÄרÓú¸Ç¹£¬£¬£¬£¬£¬º¸½ÓÖÊÁÏ¿ÉÒÔΪ̼¸Ö¡¢²»Ðâ¸ÖµÈ£¬£¬£¬£¬£¬¹Ü°åÄÚ¿×Ö±¾¶¡Ý¦µ25mm;ƾ֤º¸½Ó¹¤ÒÕÐèÒª¿ÉÑ¡Ôñ×ÔÈÛ¡¢ÌîË¿»òÏÈ×ÔÈÛºóÌîË¿µÈ¡£¡£¡£¡£¡£¡£¡£¡£¿£¿£¿£¿£¿£¿£¿£¿ÉÓëiOrbital5000³Ì¿Øº¸½ÓµçÔ´ÅäÌ×ʹÓ㬣¬£¬£¬£¬¿ÉϸÃÜʵÏÖȫλÖÃTIGÄڿ׺¸½Ó£¬£¬£¬£¬£¬º¸½ÓЧ¹ûÖØÏÖÐԸߣ¬£¬£¬£¬£¬¿ÉµÖ´ïÀíÏëµÄº¸½ÓЧ¹û¡£¡£¡£¡£¡£¡£¡£¡£Ö÷ÒªÓ¦ÓÃÓÚ¹øÂ¯¡¢»»ÈÈÆ÷¡¢µç½¨¡¢»¯¹¤µÈÐÐÒµµÄÌØÊâ¹Ü°åÐÎʽ×Ô¶¯»¯º¸½Ó¡£¡£¡£¡£¡£¡£¡£¡£
ÄÚ¿×¼ÓË¿£¬£¬£¬£¬£¬Öª×ã¶àÖÖ¹¤ÒÕÐèÇ󣻣»£»£»£»
Çý¶¯½ÓÄÉÈë¿ÚµÄ¿ÕÐıֱÁ÷ËÅ·þµç»ú£¬£¬£¬£¬£¬ÔÚתËÙ¹æÄ£ÄÚÎÞ¼¶µ÷ËÙ¡£¡£¡£¡£¡£¡£¡£¡£ËùÓеÄË®¡¢µç¡¢ÆøµÄ¹Ü¡¢Ïß¾ùÎÞ¾À¸ð£»£»£»£»£»
¾ßÓÐ×Ô¶¯»¡³¤¿ØÖƹ¦Ð§£¬£¬£¬£¬£¬Ò²¿É¹Ø±Õ¸Ã¹¦Ð§ÊÖ¶¯µ÷Àí»¡³¤£»£»£»£»£»
½ÓÄÉÌØÖÆµÄË®ÀäTIGº¸Ç¹µÄ½á¹¹ÐÎʽ£»£»£»£»£»
ËÍË¿ÎÞ¾À¸ð£¬£¬£¬£¬£¬×Ô´øÒ»ÌåʽËÍË¿»ú£¬£¬£¬£¬£¬¿É×°1.0kgË¿ÅÌ¡£¡£¡£¡£¡£¡£¡£¡£
¿Éº¸²ÄÖÊ | ̼¸Ö¡¢²»Ðâ¸Ö |
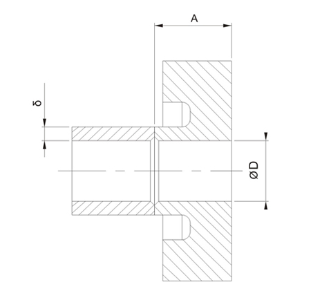
¿Éº¸¹Ü¾¶£¨mm£©?D | ¡Ý¦µ25 |
Éì½ø³¤¶È£¨mm£©A | 20¡«80 |
¹Ü°åÐÎʽ | ¹Ü²å½Ó¡¢¹ÜƽÆë |
ÎÙ¼«Ö±¾¶£¨mm£© | ¡é2.4 |
ÐýתËÙÂÊ£¨rpm£© | 0.37¡«7.39 |
»¡³¤µ÷Àí¼ä¾à£¨mm£© | 15 |
×î´óËÍË¿ËÙÂÊ£¨mm/min£© | 1800 |
º¸Ë¿Ö±¾¶£¨mm£© | ¦µ0.8 |
±£»£»£»£»£»¤ÆøÌå | ë²Æø |
ÀäÈ´·½·¨ | Ë®Àä |
ÀäÈ´Á÷Á¿£¨ml/min£© | ¡Ý300 |
ÖØ Á¿£¨kg£© | 12(²»º¬µçÀÂ) |
ÐÎ×´³ß´ç(mm) | 570¡Á290¡Á510 |




